方案背景
随着电网日益复杂、非线性和冲击性负载增加,配电网中无功功率、谐波、三相不平衡等问题越来越严重,已经到了不容忽视的地步。三相不平衡电流给变压器及线路带来的危害极大,会增加线路及配电变压器电能损耗,降低配变变压器工作容量以及增加线损,降低变压器的利用率,配变的总的出力减少,过载能力也降低。配变在三相负载不平衡工况下运行,将产生零序电流,零序电流通过钢构件时,产生磁滞和涡流损耗,使配变的钢构件局部温度升高发热,从而使得配变的绕组绝缘因高温而加速老化,导致设备寿命降低。同时,零序电流的也会增加配变的损耗。三相不平衡最终会极大地影响用户用电质量及电能计量精度。
系统典型部署
针对于配电网有功功率不平衡、无功功率偏高、电压质量低、线损严重、谐波污染等问题,我公司采用电力电子自主核心技术、研制了新一代配网三相不平衡智能型自动调节装置,该装置集无功功率的快速动态补偿、调节三相不平衡、有源滤波、消除电压闪变和电压波动等功能于一体,有效地优化电能质量、降低损耗、保护精密设备、消除电力事故隐患,保证配电网络的安全、稳定及经济运行。
配网三相不平衡自动调节装置根据负载的三相不平衡电流,自动输出与负载中负序和零序电流大小相等、方向相反的电流,抵消补偿负载中的不平衡电流,有效地调节不平衡电流,实现相间有功转移,达到三相电流的平衡,从而间接使三相电压得以平衡输出。
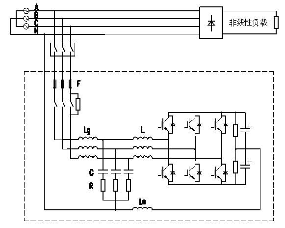
电路原理结构示意图如下所示:
![]() |
典型应用
装置安装在配电变压器的低压侧,支持抱杆和横杆两种方式,如下图所示:
|
|
|
解决方案特点
实际运行效果实例:该装置在客户供电所农网台区配电变压器安装挂网试运行。安装前两台变压器每天的A、B、C三相电流不平衡现象突出,特别是在每天的用电高峰时的,不平衡度超过50%;安装后两台变压器全天的三相电流曲线基本完全重合,补偿效果明显(功率因数升至0.95以上,不平衡度降至5%以下),有效地补偿了无功功率,使变压器的三相平衡输出,消除了三相负荷不平衡带来的危害,保障了变压器的安全运行 。
地址: 山东省济南市高新区新泺大街1166 号奥盛大厦3号楼1908
邮编: 250101
电话: 0531-66777656
传真: 0531-66777655
邮箱: info@gridnt.com
